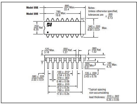
RESISTOR NETWORK, RESISTOR ARRAY,
저항 네트워크, 저항 어레이
DIP-16pin 10K OHM
898-3-R10K 460 90+ BI Technologies Corporation

DIP-16pin,1K OHM
898-3-R1K 4413 89+ BI

DIP-16pin,1K OHM
898-3-R1K 37 90+ BI

DIP-16pin-220 OHM
898-3-R220 5000 87+ BI Technologies Corporation

DIP-16pin. 33 OHM
898-3-R33 3700 90+ BI Technologies Corporation

DIP-16pin-4.7K OHM
898-3-R4.7K 1 n/a BI Technologies Corporation

DIP-16pin-620 OHM
898-3-R620 7032 87+ BI Technologies Corporation

DIP-14pin-4.7K OHM
899-1-R4.7K 930 88+ BI Technologies Corporation
DIP-16pin, 30 OHM, 8500 BOURNS n/a tube 25pcs
4116R-001-300, 4116R-1-300, 898-3-R30

DIP-16pin. 68Ω. 68 OHM 1843 BOURNS n/a+ tube 25pcs
4116R-001-680. 4116R-1-680, 898-3-R68

4116R-100-680

DIP-16pin. 220ohm / 330ohm-5%, 2500 HDK n/a box bulk 50pcs
AHR-221-331JK 3. 898-5-R220/330. 4116R-3-221/331
AHR-221-331JK3


'RESISTOR NETWORK' 카테고리의 다른 글
| 628-A-104-TR4, 8A104, SMD, SMT, CHIP NETWORK RESISTOR (0) | 2025.03.13 |
|---|---|
| L103C221. SIP-10pin. 220 OHM. Resistor Network. Resistor Array (0) | 2024.10.02 |
| CR-003. CR9-1-003. SIP-9pin. Single in-line resistor/capacitor composite networks (0) | 2024.05.24 |
| DA08S111IG, DA09S203CJ, Resistor Networks. Resistor Arrays (0) | 2024.03.27 |
| 766141103G. 10K OHM-2%. SMD-14pin. Network Chip Resistors (0) | 2024.02.22 |