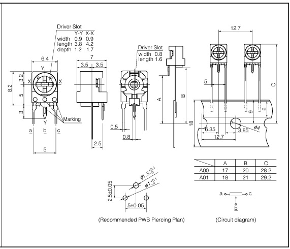
Item: TRIMMER POTENTIOMETER
Description: Size:6mm. B100K OHM. Pin pitch:5x2.5x2.5mm
Vendor: HOKURIKU
D/C: n/a
Part No: VZ067TH1-B100Kohm. NVZ6TH1-B100K OHM
Q'ty: 6800 EA
Remark bulk (Taping cut)
TRIMMER POTENTIOMETER. SEMI VOLUME
HDK. HOKORIKU
Semi-fixed Volume. SEMI Volume
Semi-fixed Variable Volume
반고정볼륨. 반고정 가변볼륨. 세미볼륨
100K OHM. Size:6mm
VZ067TH1-B100K. NVZ6TH1-B100K OHM


Item: TRIMMER POTENTIOMETER
Description: Size:6mm. Pin pitch:5x2.5x2.5mm. B100K OHM
Vendor: PANASONIC
D/C: n/a
Part No: EVME-B100K OHM
Q'ty: 1000 EA
Remark: bulk
TRIMMER POTENTIOMETER. SEMI VOLUME
Semi-fixed Volume. SEMI Volume
Semi-fixed Variable Volume
반고정볼륨. 반고정 가변볼륨. 세미볼륨
Size:6mm. Pin pitch:5x2.5x2.5mm. B100Kohm
EVME-B100K OHM. 테핑타입 커팅

