Item: SWITCHES
Description: 2N Detector switch. Pb-Free
Vendor: PANASONIC
D/C: 07+
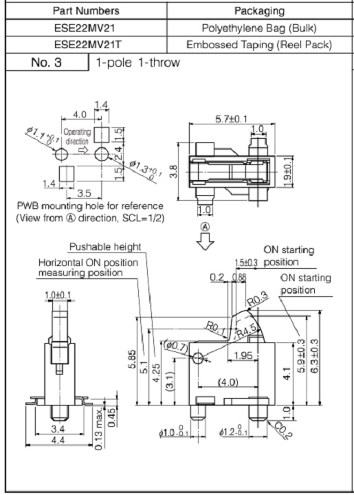
Part No: ESE22MV21T. ESE22MV21
Q'ty: 24000 EA
Remark: outside box 6000pcs
2N Detector switches. Switch. 2N 디텍터 스위치
ESE22MV21. ESE22MV21T. ESE-22MV21T




Item: SWITCHES
Description: 2N Detector switch. Pb-Free
Vendor: PANASONIC
D/C: 07+
Part No: ESE22MV21T. ESE22MV21
Q'ty: 24000 EA
Remark: outside box 6000pcs
2N Detector switches. Switch. 2N 디텍터 스위치
ESE22MV21. ESE22MV21T. ESE-22MV21T



