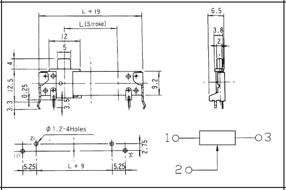
Item: SLIDE POTENTIOMETER
Description: B20K OHM.
Outline Drawing Size:30mm. Travel:10mm.
Insulated Lever:5mm. Center detent:With
Vendor: HDK/TOCOS
D/C: n/a
Part No: SS102N01D-B20K
Q'ty: 3000 EA
Remark: bulk 500pcs
Slide Potentiometer
Slide Volume. 슬라이드 볼륨
SS102N01D-B20K OHM


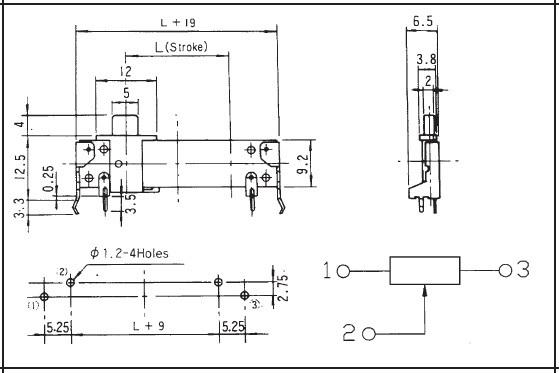
Item: POTENTIOMETERS-SLIDE
Description: B50K OHM.Outline Drawing Size:30mm.
Travel:10mm. Insulated Lever:5mm.
(Knob:4-A). Center detent:With
Vendor: HDK.TOCOS
D/C: n/a
Part No: SS102N01D-B50K
Q'ty:4000 EA
Remark: bulk 500pcs
Slide Potentiometer
Slide Volume. 슬라이드 볼륨
SS102N01D-B50K OHM


