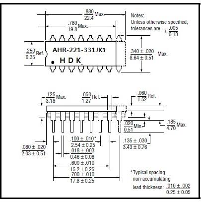
Item: RESISTOR NETWORKS
Description: DIP-16pin. 220ohm / 330ohm-5%
Vendor: HDK
D/C: n/a
Part No: AHR-221-331JK3. AHR-221-331
Q'ty: 2000 EA
Remark: box bulk 50pcs
Resistor Network. Resistor Array. 네트워크 저항. 어레이 저항
AHR-221-331JK3. 898-5-R220/330. 4116R-3-221/331
서로 호환이 가능함



